河南省礦山起重機有限公司,主要從事“礦源”牌電動葫蘆、單、雙梁起重機、橋、門式等五大系列80個品種起重機的制造、銷售。公司占地面積68萬平方米,員工2700余人,年銷售額23億元,擁有380余家銷售服務機構輻射國內外,擁有中**工程技術人員180余人,產品暢銷全國近30多個省、市、自治區。并出口到澳大利亞、越南、印度、泰國及東南亞各國。年產銷雙梁、門式起重機4000余臺,單梁起重機35000余臺,單雙梁電動葫蘆及配件近46000臺(套)。礦源人決心把公司建成中國起重機制造業的**企業,希望“礦源”能為您經濟產業的騰飛作出貢獻。“一握礦源手,終生是朋友”!
聯系電話:13837386863/15537328255 QQ:202733382
郵箱:tjksqz@163.com;

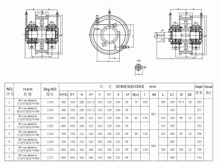
雙緣車輪組主要用于50T以下的起重機大車運行機構。經表面淬火后的車輪踏面硬度可以達到HB330-380,經整體調質熱處理后,性能會更優。另選擇ZG50SiMn材質的車輪可以提高輪壓20%。 雙緣車輪組 選用軸承全部為圓錐滾子軸承。選擇ZG50SiMn材質性能可以提高20%,價格加15%。如需非標車輪組請與客服聯系。















